Jump to content

Charles Sumner Tainter: "On This Day in Phonographic History..."


Recommended Posts

Posted

"On This Day in Phonographic History..."

 

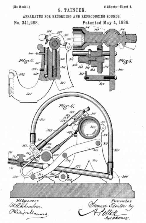
December 4, 1885:  Charles Sumner Tainter filed for a U.S. patent for “Apparatus for Recording and Reproducing Sound.”  This was the first use of wax recording, and the first design for removable and replayable records.

 

May 4, 1886: Charles Sumner Tainter was granted a U.S. patent for “Apparatus for Recording and Reproducing Sound.” No.341,288.

 

#antiquephonographsociety #phonograph #gramophone #antique

 

Tainter341288.thumb.png.546e2bcc9d1ac0335ef3decc3386dc9b.png

 

Tainter341288b.thumb.png.48490cdcb72faac3856549ea248a3eec.png

 

Tainter.thumb.JPG.269039e10536026193ac613b3b090649.JPG

 

1915643965_TainterCharlesSumnerpulleyplate.thumb.JPG.21db5dbbbddc8c89876ec96678f80a03.JPG

  • Like 1

Create an account or sign in to comment

You need to be a member in order to leave a comment

Create an account

Sign up for a new account in our community. It's easy!

Register a new account

Sign in

Already have an account? Sign in here.

Sign In Now
×
×
  • Create New...